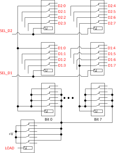
A, B, C, D registers have equivalent schematics. Each one can be connected either to D1 or D2 data buses.
Contacts in storage relays are connected in parallel to improve reliability.

A fistful of relays - relay computer schematic and software
A, B, C, D registers have equivalent schematics. Each one can be connected either to D1 or D2 data buses.
Contacts in storage relays are connected in parallel to improve reliability.
